Array
(
)
1
		

Primary Cells

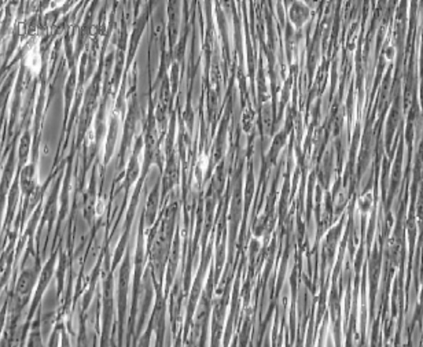
Human Primary Gastric Smooth Muscle Cells View larger

Human Primary Gastric Smooth Muscle Cells

HUM-d005

Each vial contains >5x105 cells in 1mL volume

More details

1000 Items

Molarity Calculation Cart®

HOW TO ORDER

$1,208.00

$1,208.00 per 1mL

More info

Cell Details

The stomach is the digestive organ of the human body. It is located under the armpit. The stomach wall is composed of four layers: mucosa, submucosa, muscular layer and adventitia. It has the distribution of nerves, blood vessels and lymphatic vessels. The smooth muscle is mainly located in the muscular layer, and the muscular layer of the stomach is developed, which consists of three layers of smooth muscles: the inner oblique, the middle ring and the outer longitudinal. Among them, the middle ring smooth muscle is thickened at the pylorus to form the pyloric sphincter, which has the function of regulating the discharge of gastric contents.

The occurrence of gastric motility disease is closely related to the change of contractility of smooth muscle. There is sufficient evidence that the interstitial cells of Cajal are the pacemaker cells of gastric movement, which exist between the ring muscle and the longitudinal muscle. By the intermuscular nerve plexus; at the same time Ca 2+ plays an important messenger role in the contraction of smooth muscle, which is an important direction in the study of gastric motility diseases.


Cell Characteristics

1) The cells are derived from human normal stomach tissue.

2) Cell identification: Smooth muscle actin (α- SMA) immunofluorescence staining was positive.

3) The purity of the identified cells is higher than 90% .

4) Does not contain HIV-1, HBV, HCV, mycoplasma, bacteria, yeast and fungi.

5) Cell growth mode: long spindle cells, adherent culture.


Transportation and Preservation

Depending on the weather conditions and the distance of transportation, the company negotiates with the customer and chooses one of the following methods.

1) 1mL of frozen cell suspension is placed in a 1.8mL cryotube and placed in a foam incubator filled with dry ice for transport; after receiving the cells, thaw the resuscitated cells as soon as possible for culture. If resuscitation is not possible immediately, Cryopreserved cells can be stored at -80°C for 1 month.
2) T-25 culture flask is filled with complete medium and then transported at room temperature. After receiving the cells, please observe the growth state of the cells under a microscope. If the bottle filling rate exceeds 85%, please carry out the subculture immediately. If there are more cells in suspension, allow the flask to stand overnight in the incubator to help the undead suspension cells to reattach.

Product Use

1) This product can only be used for scientific research 
2) This product has not passed the audit for living animals and humans directly. 
3) This product has not passed the audit for in vivo diagnosis.